Бывают ситуации, что нужно обнаружить проводку, замурованную в стене, или найти ее повреждение. Для этой цели используют детектор скрытой проводки. Он бывает трех типов:
- Электростатический. Плюсы: простая схема, обнаружение на большом расстоянии. Минусы: поиск только в сухой среде, иначе показывает наличие проводки; требуется наличие напряжения на искомых проводниках.
- Электромагнитный. Плюсы: схема также простая, точность обнаружения высокая. Минусы: кроме напряжения требуется, чтобы к проводу была подключена мощная нагрузка (от 1кВт).
- Металлодетектор. Это обычный металлоискатель. Плюсы: напряжение не требуется. Минусы: показывает любой металл. Даже забитый гвоздь помешает поиску проводов. Сложная конструкция.
Схемы детекторов
Есть множество различных схем этого прибора. Они могут отличаться как сложностью конструкторского решения, так и по функциональному назначению: просто обнаруживать провода, или специально искать обрывы в электропроводке.
Простейшие схемы
Со звуковой индикацией
Первый рисунок – самый простой прибор. Резистор R1 стоит для защиты микросхемы от наведенного напряжения, хотя если его не ставить, как показывает практика, ничего страшного не случится.
Как антенна используется медный проводник длиной 5-15 см. При обнаружении провода будет слышен характерный треск. Легко найти, какая лампа на елочной гирлянде перегорела: возле нее треск прекратится. Пьезоэлемент включен по мостовой схеме. Это позволяет увеличить громкость.
Звуковая и световая индикация
Схема тоже очень проста, собранная на одной микросхеме.
Особенности: резистор R1 должен иметь номинал не ниже 50 МОм. Светодиод стоит без ограничительного сопротивления: микросхема сама прекрасно справляется с этой задачей.
На полевом транзисторе
Такие транзисторы очень чувствительны к электрическому полю. Именно эту его способность и будем использовать в следующих схемах.
Наши читатели рекомендуют!
Из рисунка видно, что устройство очень простое и легко собирается своими руками без каких-либо специальных приспособлений. Напряжение питания 3–5 В. Потребляемый ток настолько мал, что этот детектор проводки может работать до 6 часов без отключения. Катушка антенны намотана проводом 0,3–0,5 мм на сердечник, диаметром 3 мм. Сколько витков, зависит от провода: 0,3 мм – 20 витков, 0,5 мм – 50 витков. Антенна работает и с каркасом, и без него.
Настройка: необходимо подобрать по значению R1, чтобы громкость динамика была максимальной. Транзистор можно заменить аналогом – КП303Д. Наличие металла на пути пробника не влияет на его работу.
Искатель обрыва провода
Этот приборчик настолько компактен, что его можно собрать в корпусе от маркера. Антенна вытягивается через отверстие в нем. Ее длина 5–10 см, но если электропроводка расположена неглубоко в стене – не глубже 5–10 см – тогда будет достаточно длины ножки полевого транзистора.
В качестве датчика используется полевичок VT1. Чувствительность у него сильная. Когда его затвор окажется рядом с электропроводкой, сопротивление «сток – исток» уменьшится. Это приведет к открыванию двух других транзисторов и зажиганию светодиода.
Полевик КП103 подойдет с любой буквой; светодиод – АЛ307,буква тоже значения не имеет. Биполярные транзисторы – какие есть в наличии, подобной проводимости, маломощные. Коэффициент передачи выбрать как можно больше. К примеру, вместо КТ203 можно использовать КТ361.
Обратите внимание: при монтаже КП103 ставят горизонтально, а его затвор загибают так, чтобы он был над корпусом транзистора. Собрать своими руками такой искатель проводки очень просто.
Металлоискатель
Перед выполнением каких-либо строительных работ, бывает полезно просканировать стены на наличие какого-либо металла внутри. Это могут быть как элементы строительных конструкций, так и результат халтуры строителей: арматура, электропроводка или что-нибудь еще. Этот прибор имеет среднюю сложность сборки.
Глубина поиска: маленький гвоздик обнаружит на глубине до 5 мм, трубу для воды – до 200 мм, электрические провода – 20–30 мм.
Схема такая: VT1 – генератор частоты (100 кГц), VT2 – детектор, VT3, 4 – индикация. Катушки генератора намотаны на сердечнике из феррита. Диаметр стержня – 8 мм, первая катушка(L1) –120 витков, вторая (L2) – 45. Марка провода – ПЭВТЛ 0,35.
Теперь о том, как его наладить. Делать это нужно подальше от металлических предметов (не забудьте снять с руки часы). Подстроечными резисторами R3 и R5 нужно так настроить прибор, чтобы генерация почти срывалась (свечение светодиода неравномерное и яркость очень низкая). После этого настраивают только R3, чтобы излучатель погас. Когда все сделано, переходим к следующему этапу: берем кусочек металла (можно пятикопеечную монету), и обоими резисторами добиваемся максимальной чувствительности.
Такую подстройку желательно проводить время от времени. Для удобства можно вывести регуляторы на корпус металлоискателя.
Как результат: когда антенна будет двигаться вдоль металлического предмета, светодиод будет мигать.
Приведенные выше примеры показывают, что такой детектор – это вещь, которую необязательно покупать в магазине. При большом желании и некотором опыте, все это легко собирается своими руками и неплохо справляется с поставленными задачами. Теперь можно смело делать дома ремонт, не боясь вбить гвоздь не туда, куда нужно!
Бывалые электрики хорошо знают, что бур перфоратора довольно точно находит спрятанные в стене кабели под напряжением, а также трубопроводы с давлением горячей воды.
Это его свойство доставляет много неприятностей неопытным работникам. Предотвратить такие случаи призваны приборы для поиска скрытой проводки.
Они выпускаются большим ассортиментом с разным набором функций для постоянного применения профессиональными мастерами или редкого использования домашними умельцами. Предлагаю ознакомиться с кратким обзором их возможностей.
Содержание статьи
По каким принципам работают приборы для поиска скрытой проводки
Промышленность выпускает для современного электрика 3 типа таких устройств, которые принято разделять как:
- трассоискатели;
- индикаторы электромагнитного поля;
- детекторы обнаружения скрытой проводки.
Они создаются для конкретных условий применения и обладают разными техническими возможностями.
Как устроены современные трассоискатели
Для примера разберем работу кабельного тестера-трассоискателя Mastech MS6812. Он чаще всего применяется для обнаружения места обрыва жилы кабеля в закрытой проводке и состоит из двух автономных частей:
- Тон-генератора кабельного прессора (Cable tracker), который вырабатывает высокочастотные сигналы. Его выход подключают на проверяемый кабель, трассу прохождения которого необходимо уточнить.
- Приемника сигналов кабельного трекера, который издает специфические звуковые сигналы, указывающие на место прокладки кабеля, когда его помещают в зону поиска.
Для подключения генератора вначале определяют перебитую жилу прозвонкой кабеля цифровым мультиметром. На нее и контур заземления подается высокочастотный сигнал.
Если требуется просто определить трассу кабеля, то подключают генератор на целую жилу и контур земли. При этом в большинстве случаев с испытуемой цепи должно быть снято внешнее питание.
В/Ч излучение улавливается приемником трекера, который выдает хорошо слышный однотонный непрерывный свист. При желании его можно изменить на двухтональный эвук, который лучше слышен в условиях производственных шумов. Для этого пользуются встроенным внутри корпуса переключателем.
Приемник ведут вдоль трассы проложенного кабеля, ориентируясь по звучанию динамика. При достижении места повреждения звук исчезает. На этом участке и ищут обрыв. Метод очень точный.
Для надежности поиска рекомендуется переключиться генератором на противоположный конец кабеля, а затем пройти приемником с обратной стороны на это же место.
Как генератор, так и приемник питаются от своих батареек, что обеспечивает их независимую работу.
Аналогично работает трассоискатель компании Proskit и многих других производителей.
Более сложные дефекты кабеля, когда он раздавлен с нарушением изоляции и поперечного сечения жил, но без обрыва и короткого замыкания, вполне допустимо определять омметром и мегаомметром. Однако точно определить место повреждения будет сложно.
Профессиональные трассоискатели, в зависимости от конструкции, способны находить скрытые в стенах на 40 см кабели и до 2,5 метров, зарытые в землю. Но стоят они дорого.
Для домашнего использования вполне можно использовать бюджетный прибор Mastech MS6812. Он хорошо справляется не только с электрической проводкой, но и со слаботочными цепями сигнализации, видеонаблюдения, антенных устройств, компьютерных систем и другими подобными устройствами.
Конструкции самодельных трассоискателей
Домашние умельцы с навыками радиолюбителей используют свои высокочастотные генераторы, направляя их сигнал в поврежденную проводку. Настраивают их на частоту УКВ приемника или смартфона и с их помощью успешно ищут дефекты кабеля.
Метод требует навыков и специально оборудования, не во всех случаях отмечается надежностью.
Как работают простые индикаторы электромагнитного поля
Для обнаружения скрытой проводки часто применяется свойство электрического тока распространять в окружающем пространстве электромагнитное поле. Его улавливают индикаторами различной конструкции.
Простейший вариант такого прибора представлен отверткой-индикатором.
Только следует учитывать, что они выпускаются с различной схемой улавливания электромагнитного поля и самые простые модели со светодиодом или неоновой лампочкой и токоограничивающим резистором не обладают достаточной чувствительностью.
Для этих целей подходят отвертки индикаторы с встроенными усилителями на биполярных или полевых транзисторах либо микросхемах. О функции поиска скрытой проводки производитель заявляет в инструкции.
Такую отвертку берут пальцами за лезвие, а обратной стороной рукоятки прикладывают к стене.
Ее помещают в исследуемую область, перемещают в разных направлениях и по силе свечения индикаторной лампочки определяют маршрут прокладки провода.
При этом надо учитывать, что ток, вызывающий свечение индикатора, проходит через тело человека и ему необходимо создать замкнутый контур, прикоснувшись пальцем к контактному кольцу или лезвию отвертки.
Следует учитывать, что этот метод довольно приблизительный, не точный. На его результате сказывается:
- величина электромагнитного поля, которая создается силой тока. Для повышения достоверности результата рекомендуется на жилы провода подать большую нагрузку, порядка киловатта;
- состояние стены. Влажная среда, мокрые обои, вмурованные металлические штукатурные сетки, арматура, даже запрятанные саморезы могут усиливать распространение электромагнитного поля, искажая достоверность информации;
- увеличенная глубина заделки кабеля, особенно в сухой железобетонной стене, может так исказить электрическое поле, что индикаторная отвертка его не почувствует.
Обрыв провода в стене этим методом не найти.
Такой универсальный прибор не сложно купить, но аналогичными рабочими характеристиками поиска обладают отдельные самодельные конструкции. Одну из них представлю ниже.
В ее состав входят:
- антенна, накрученная из витков тонкой медной проволоки и воспринимающая сигнал электромагнитного поля;
- три транзистора n-p-n типа марки C945, собранные последовательным каскадом, увеличивающим ток антенны;
- светодиод, указывающим своим излучением наличие электромагнитного поля;
- батарейка Крона, питающая схему;
- токоограничивающий резистор.
Схема самодельного индикатора скрытой проводки представлена ниже.
В качестве справочных данных показываю, как выглядит цоколевка транзистора C945.
Сейчас разработано много подобных схем на биполярных и полевых транзисторах. Собрать их не сложно своими руками, наладка практически не требуется, но высокой точности показаний они не обеспечивают.
Как работают детекторы обнаружения скрытой проводки
Прибор использует принцип металлоискателя. В основу его конструкции положен сканер, генерирующий сигналы и принимающий их после отражения от контролируемой среды.
За счет сравнения характеристик исходящего и входящего излучения происходит определение плотности контролируемой среды и ее оценка. Результаты вычислений отображаются на табло или цифровом дисплее в удобной для пользователя форме.
Для точной работы корпус сканера требуется слегка прижимать к исследуемой поверхности направляющими полозьями и равномерно вести в одну из сторон.
Большинство детекторов — это цифровые приборы, хорошо различающие металлические предметы, провода, пустоты. Более сложные изделия дополнительно могут определять древесину, пластиковые трубы.
Современные даже относительно недорогие модели сканеров наделены способностью взаимодействовать с излучением электромагнитного поля, показывать провода и кабели, проложенные в стене и находящиеся под напряжением.
Приборы для поиска скрытой проводки: ТОП 7 моделей с обзором характеристик для домашнего мастера
На самом деле таких изделий сейчас очень много. Я постарался выбрать семь наиболее популярных устройств, которые больше всего обсуждаются в среде мастеров. Как это получилось — судите сами.
Внешний вид на фото и видео популярных моделей
Сразу предупреждаю, что представленный рейтинг сканеров выражает чисто личное мнение. Вы можете на него повлиять.
BOSCH GMS 120 Professional
Срабатывание прибора проявляется изменением оттенка трехцветного светового кольца по шкале “Center-Finder” и информацией на дисплее с подсветкой.
Детектор работает в трех режимах, позволяющих обнаружить:
- (Гипсокартон): деревянные и металлические объекты внутри гипсокартонной обшивки.
- (Металл): магнитные или немагнитные изделия, встроенные в стену из любого материала.
- (Токопроводящий кабель): электрический провод под напряжением 110÷230 вольт.
Защита корпуса соответствует классу IP 54. Через 5 минут работы автоматика отключает питание схемы.
Короткое видео от производителя наглядно демонстрирует возможности BOSCH GMS 120 Professional
MASTECH MS6906 — металлоискатель «3 в 1»
Прибор предназначен для поиска скрытых в стенах:
- деревянных и металлических стоек;
- труб из металла;
- электропроводки с током.
Точно и безопасно определяются:
- однофазная и трехфазная проводка с переменным напряжением;
- края скрытых стоек из древесины и металла;
- металлические трубы.
Прибор не укажет на:
- влажную древесину;
- комбинации материалов;
- 2 провода в цепи под напряжением.
Автоотключение питания работает через 7 минут бездействия
Для маркировки на стенах положения краев профилей в верхней части прибора имеется металлическое острие.
UNI-T UT387B
Для управления детектором используются 6 кнопок:
- включения питания;
- поиска древесины;
- обнаружения металла;
- отыскание проводки;
- увеличения точности поиска (zoom);
- отключения звука.
Смена обычной светодиодной индикации зелёного цвета на красный оттенок обозначает нахождение искомого предмета.
Автоотключение питания происходит через 5 минут ожидания. На корпусе отсутствуют маркировочные приспособления.
Детектор скрытой проводки Дятел Е121
Сигнализатор предназначен для:
- поиска скрытых проводов;
- проверок чередования фаз, в том числе на подключенных электросчетчиках без снятия защитных крышек;
- отыскание фазного проводника в бытовой сети бесконтактным методом;
- проверки целостности предохранителей и проводов, работающих под действующим напряжением;
- определения электрических соединений с разрывом цепей зануления или заземления.
Этот сигнализатор одни пользователи хвалят, а другие постоянно ругают. Его схему можно собрать своими руками. Информации по этому вопросу много.
Отзывы о его работе смотрите в видео владельца san4ezize и комментариях под ним.
Детектор скрытой проводки, металла и дерева «Floureon»
Устройство работает в пяти режимах сканирования, каждому из которых соответствует своя пиктограмма на дисплее.
При поиске деревянных и металлических объектов Floureon позволяет определить положение их центральной части. Он хорошо обнаруживает медь, сталь и алюминий внутри стены, нормально справляется с поиском электропроводки под напряжением.
Для управления устройством задействованы три кнопки:
- включения;
- выбора режима;
- калибровки.
Skil detector 550
Выпуском занимается производитель из Венгерской Республики. На корпусе расположен большой дисплей, созданный для удобного размещения и считывания информации.
С целью повышения безопасного использования производитель обеспечил постоянную работу режима проверки проводов под напряжением.
Повысить точность поиска металлических деталей помогает функция «Focus». Прибор обеспечивает:
- сопровождение звуковой и световой индикацией поиск найденного объекта;
- отличие магнитных металлов от немагнитных изделий при проверках;
- автоотключение питания после пятиминутного простоя;
- индикацию заряда аккумулятора.
ADA Wall Scanner 80: 3 в 1
Прибор отличается прочным противоударным корпусом с противоскользящими протекторными накладками и увеличенным экраном с подсветкой.
При обнаружении металла ADA Wall Scanner 80 отображает на дисплее расстояние до него в сантиметрах, а при достижении центрального положения — зажигает цветовую индикацию.
В свободной зоне после включения и выполнения автокалибровки сканер выдает зеленый сигнал индикации, а при приближении к металлу, дереву или электропроводке сменяет его на красный цвет.
Предлагаю посмотреть короткое обзорное видео владельца geototalru по работе этого прибора. Обратите внимание на комментарии.
Сводная таблица технических характеристик выбранных сканеров проводки
Для наглядности я подобрал те рабочие характеристики, которые более важны при эксплуатации домашнему мастеру и свел их в таблицу.
Понимаю, что на выбор еще влияет стоимость прибора и условия его приобретения. Однако, цена — величина меняющаяся. Ее можно узнать, если ввести в Гугл или Яндекс название прибора и слово купить.
Поисковая машина подберет вам множество вариантов, из которых вы сможете выбрать оптимальный вариант.
| Марка детектора скрытой проводки | BOн3 SCH GMS 120 Professional | MASTECH MS6906 | UNI-T UT387B | Дятел Е121 | Детектор скрытой проводки Floureon | Skil detector 550 | ADA Wall Scanner 80 |
| Масса, кг | 0,27 | 0,25 | 0,195 | 0,12 | |||
| Обнаруживает материалы | Дерево, металл, проводка | Дерево, металл, проводка | Дерево, металл, проводка | Дерево, металл, проводка | Металл, проводка | Дерево, металл, проводка | |
| Калибровка | Авто | Ручная | Авто | Ручная | Авто | Авто | |
| Глубина поиска металла, см | 12 | 3-5 | 8 | 7,6 | 8,0 | 8,0 | |
| Глубина поиска проводки, см | 5 | До 7,5 | 8 | 7,6 | 5,0 | 5,0 | |
| Глубина поиска цв. металла, см | 8 | 8 | 7,6 | 6,0 | 6,0 | ||
| Глубина поиска дерева, см | 3,8 | 3-5 | 2 | 3,8 | 2,0 | ||
| Макс. глубина поиска, см | 12 | ||||||
| Питание | Батарея 9 В | Батарея 9 В | Батарея 9 В | Батарея 9 В | Батарея 9 В | Батарея 9 В | Батарея 9 В |
Сводная таблица рабочих характеристик имеет не заполненные ячейки. Просто я все данные брал из технических паспортов, опубликованных производителями, а какие-то параметры не нашел.
Если у вас имеются такие приборы, то можете дополнить эти сведения через раздел комментариев.
Вообще, собирая информацию с сайтов производителей, я заметил одну странную особенность: ни один завод не дает 100% гарантии на точность определения конечного результата.
Даже Бош в своем паспорте специально оговаривает, что на точности работы прибора сказывается много сопутствующих факторов, которые необходимо учитывать на месте измерения.
К ним относятся:
- сильные магнитные и электрические поля;
- наличие посторонних металлических предметов разных размеров;
- влажность стены и ее токопроводящие свойства;
- проложенные поблизости другие скрытые провода;
- наводки напряжения;
- другие случайные явления.
Поэтому следует дополнительно в обязательном порядке смотреть проектную и исполнительную строительную документацию, сверяться с ней при работе. Вот только выполнить эти рекомендации Boch на практике для нас бывает весьма сложно.
Нам остается учесть все эти факторы, хорошо изучить и выполнять требования инструкции по калибровке и замеру детектором, учитывать возможность его ошибки.
Кстати, проводившиеся тесты измерения одной и той же стены со спрятанной проводкой разными детекторами показали немного отличающиеся результаты.
Отдельные личности задаются вопросом, как можно воровать электричество и как обмануть детектор скрытой проводки, когда Энергонадзор станет проверять их хозяйство.
Хочу сразу предупредить, что это очень плохая затея, которая практически сразу обречена на провал. Опытный мастер, да еще сильно материально заинтересованный, легко решает такие задачи.
В целом же приборы для поиска скрытой проводки значительно облегчают деятельность домашнего, да и профессионального электрика. К их результатам следует подходить творчески, учитывая, что чем больше нагрузка на проводку, тем меньшую ошибку сканер может допустить.
Основным недостатком их конструкции является то, что при возникновении неисправности производитель рекомендует отказаться от ремонта и советует просто приобрести другой прибор. Это тоже надо учитывать при покупке.
Напоминаю, что сейчас вам удобно поделиться своим опытом эксплуатации таких детекторов с другими читателями сайта в разделе комментариев. Он будет полезен многим людям.

При выполнении строительных работ часто возникает потребность в проверке стены на присутствие в ней проводки. Для проведения поиска понадобится детектор, реагирующий на металл. Можно приобрести это устройство в заводском исполнении или же изготовить искатель скрытой проводки своими руками. В этой статье пойдет речь о нюансах внутреннего устройства детекторов, а также о способах их изготовления.
Схемы заводских детекторов
Существует несколько видов детекторов заводского производства:
- Электростатический. Достоинства такого прибора в простоте внутреннего устройства и возможности находить металлические предметы на значительном отдалении. Недостаток же детектора состоит в возможности поиска лишь в сухой среде. В противном случае будут ложные срабатывания. К тому же обнаружены могут быть только те провода, которые находятся под напряжением.
- Электромагнитный. Достоинства заключаются в простой схеме и высокоточном обнаружении проводки. Недостаток единственный, но существенный: помимо напряжения, нужна довольно мощная нагрузка — не менее 1 киловатта.
- Металлодетектор. Такой прибор представляет собой стандартный металлоискатель. Главный плюс в отсутствии необходимости в напряжении. Недостатки: обнаруживает любой металл (не только проводку), а также конструктивно сложен.
Простейшие схемы самодельных устройств
Выделяют несколько схем таких устройств.
Со звуковой индикацией
Изготовить простой детектор скрытой проводки своими руками можно на основе резистора R1. Данный резистор защищает схему от наведенного напряжения. При этом даже если его устанавливать, на работе прибора это, скорее всего, не скажется.

В качестве антенны применяется проводник из меди длиной от 5 до 15 сантиметров. Когда обнаруживается проводка, издается специфическое потрескивание. Пьезоэлемент подключается согласно принципу мостовой схемы, что позволяет контролировать уровень громкости.
Звуковая индикация в сочетании со световой
Данная схема также отличается простотой — понадобится лишь одна микросхема.

Особенности схемы: номинал резистора R1 должен быть равен или превышать 50 МОм. Светодиод используется без ограничения сопротивления, поскольку микросхема выполняет данную задачу самостоятельно.
На полевом транзисторе (первая схема)
Транзисторы этой группы чрезвычайно отзывчивы к электрическому полю. Данная особенность используется в нижеуказанной на картинке схеме.

По рисунку можно понять, что прибор очень прост, его можно изготовить собственноручно, не используя каких-то особых приспособлений. Показатель напряжения питания — от 3 до 5 В. Тока нужно настолько немного, что детектор способен функционировать на протяжении 5-6 часов без отключения. Катушка антенны фиксируется 0,3-0,5 миллиметровым проводом на сердечник, который, в свою очередь, имеет диаметр в 3 миллиметра. Количество витков зависит от самого провода: 20 витков для провода в 0,3 миллиметра и 50 витков для провода в 0,5 миллиметра. Антенна может функционировать как с каркасом, так и без него.
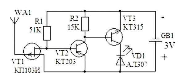
На полевом транзисторе (вторая схема)
Еще один вариант изготовления детектора скрытой проводки своими руками на полевом транзисторе — использование микросхемы КП103. Этот полевик характеризуется высокой чувствительностью. Если его затвор оказывается в непосредственной близости с проводкой, сопротивление сокращается, что ведет к открыванию других транзисторов. После этого светодиод начинает светиться.
Обратите внимание! Полевик КП103 можно использовать с любой буквой, как и световой диод АЛ307. Дело в том, что биполярные транзисторы с такой проводимостью имеют невысокую мощность, а коэффициент передачи должен быть значительным. Поэтому вместо КT203 рекомендуется выбрать КТ361.
Прибор отличается небольшими размерами — сборку можно осуществить даже в корпусе от маркера. Антенна протягивается сквозь отверстие в маркере. Длина антенны — от 5 до 10 сантиметров. Однако если проводка находится не слишком глубоко в стене (не глубже 10 сантиметров), можно обойтись длиной ножки полевого транзистора.

Транзистор КП103 устанавливается по горизонтали, а затвор нужно согнуть так, чтобы он располагался прямо над транзисторным корпусом.
Металлоискатель

Схема металлодетектора выглядит следующим образом:
- генератор частоты (100 кГц) — VT1;
- детектор — VT2;
- индикация — VT3, VT4.
Генераторные катушки наматываются на ферритовый сердечник. Стержневой диаметр — 8 миллиметров. Количество витков на первой катушке — 120, на второй — 45. Провод подбирается марки ПЭВТЛ 0,35.
Наладку металлоискателя нужно осуществлять вдали от металлических изделий. Настройка производится подстроечными резисторами R3 и R5 таким образом, чтобы генерация практически сходила на нет (неравномерное свечение диода и невысокая яркость). Далее происходит настойка R3 с целью угасания излучателя.
Следующий шаг — настройка чувствительности. Делается это при помощи куска металла (можно использовать монету) и пары резисторов. Причем настройку чувствительности рекомендуется периодически повторять. Чтобы оптимизировать процесс, сделать его более удобным, регуляторы можно встроить в корпус металлодетектора.
Настроенный прибор включается, когда антенна оказывается вблизи металла — световой диод начинает мигать.
Сигнализатор проводки без батареек
Данный детектор в качестве источника электропитания пользуется непосредственно сетью. Такая схема возможна за счет применения конденсатора повышенной емкости (обозначен на схеме как С1). Зарядка конденсатора осуществляется от сети. В заряженном состоянии конденсатор передает напряжение в 6-10 В. При этом от напряжения зависит лишь яркость светового диода, а вот на чувствительности устройства этот показатель не сказывается.

Детектор на микроконтроллере

На схеме выше показан детектор скрытой проводки, построенный на микроконтроллере PIC12F629. Работа устройства базируется на отзывчивости к магнитному полю. Данное поле образуется током, текущим по проводнику, расположенному в стене.
В схеме можно задействовать светодиодную лампу или пьезоизлучатель. Когда магнитное поле обнаруживается, в зависимости от предпочитаемого типа индикации загорается лампа или начинает потрескивать пьезоизлучатель.
Достоинство устройства в его способности откликаться только на частоту 50 Гц, что составляет частоту переменного тока. Таким образом, ложные срабатывания искателя исключены, так как на другие частоты прибор не отреагирует.
Двухэлементный индикатор

В данном случае нужна микросхема и световой диод. В качестве микросхемы можно выбрать DD1, а светодиод рекомендуется взять HL1. Задача состоит в соединении выводов таким образом, чтобы создать три инвертора в цепи. В результате прибор будет усиливать токи, которые поступают на устройство от поля переменного тока в проводке, находящейся в стене. При обнаружении проводов начинает светиться диодная лампа. При отдалении от стены или разрыве цепочки лампа тухнет.
Существует два варианта исполнения схемы:
- Соединение выводов: третий с восьмым, второй с десятым, четвертый с седьмым и девятым, первый с пятым, одиннадцатый с четырнадцатым.
- Соединение выводов: третий с восьмым, десятый с тринадцатым, первый с пятым и двенадцатым, второй с одиннадцатым и четырнадцатым, четвертый с седьмым и девятым.
Промышленные схемы профессиональных детекторов
Можно собрать в домашних условиях и прибор профессионального уровня. Однако такое оборудование имеет достаточно сложную схему, и на его изготовление понадобится много усилий. Ниже показаны две схемы на выбор: первая относится к промышленному прибору, вторая — к самодельному устройству «Дятел».


Также можно изготовить устройство типа YADITE 8848. Ниже представлены два варианта такого устройства.

Проверка самодельных искателей проводки
Прежде чем применять самодельный прибор, рекомендуется протестировать его работоспособность. Проверка покажет правильность сборки.
Тест выполняется следующим образом:
- Находим участок, в котором точно есть скрытая проводка. Например, гарантировано можно говорить о наличии в стене проводов, идущих к выключателям и розеткам.
- Проверяем выбранный участок. Для этого подводим прибор к стене и наблюдаем за индикацией.
- Если сигнал поступает лишь в месте прохода кабеля, устройство исправно и им можно пользоваться.
- Если сигнал, то возникает, то пропадает в разных направлениях, значит, прибор неисправен.
Совет! Прежде чем начинать тест, проводка должна получить максимальную нагрузку. Чтобы обеспечить такую нагрузку, подключаем как можно больше электроприборов к сети. В результате усиливаются магнитное и электрическое поля, на которые откликаются приборы.
Итак, не обязательно приобретать детектор проводки в магазине. Это устройство вполне можно изготовить в домашних условиях, если следовать указанным выше схемам.
Используемые источники:
- http://electricvdele.ru/instrumenty/detektor-skrytoj-provodki.html
- https://electrikblog.ru/pribory-dlya-poiska-skrytoj-provodki-obzor-modelej-i-funkczij/
- https://220.guru/electroprovodka/instrumenty/detektor-skrytoj-provodki-svoimi-rukami.html


Детектор скрытой проводки – обзор современных приборов, их настройка и основные виды (95 фото)
Поиск проводки: детекторы и индикаторные отвёртки
Детектор скрытой проводки: подобрать правильно, использовать по назначению
Схемы лучших самодельных детекторов скрытой проводки
Индукционный метод поиска. Способы подключения генератора при поиске трассы КЛ
NF308 Noyafa многофункциональный кабельный тестер, трассоискатель
Особенности выбора и эксплуатации автомобильных видеорегистраторов скрытой установки